Каталог товаров
- Главная
- Сантехника инженерная и водоснабжениеАвтоматика и шкафы управления для отопленияБлоки управления и контроллерыВоздухоотводчикиГидроаккумуляторыГрязевикиДатчики давленияДетали трубопроводовЗадвижкиЗапчасти для запорной арматурыЗатворы поворотныеИнструмент сантехникаКанализационное оборудованиеКлапаны и комплектующиеКоллекторы, коллекторные группы, распределительные узлыКомплектующие для КИПиАКонденсатоотводчикиКраны водоразборныеКраны для манометровКраны конусныеКраны шаровыеЛюки и дождеприемникиМанометрыМуфты для трубНасосы, насосные станции и мотопомпыПодводка гибкаяРасширительные баки и емкостиРегуляторы давления бытовыеРеле давленияСантехнический крепежСгоны, бочата, резьбы и отрезки трубСчетчики ХВС и ГВСТеплоизоляция, уплотнения, защитные покрытияТеплосчетчики и комплектующиеТермоманометрыТермометры и оправыТройникиТрубы и фитингиФильтры и запчасти для фильтровШкафы коллекторныеЭлеваторы и элеваторные узлыЭлектроприводы, редукторы для запорной арматуры
- Детали трубопроводов
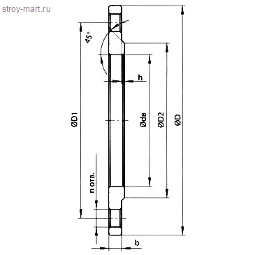
- Фланец сталь плоск Ду 25 Ру10 ГОСТ 12820-80 - 027-1392




